Контакты
Новости
Каталоги
 Войти
Сортировать:
Сначала новые
Сначала старые
Цена ↑
Цена ↓
Кол-во ↑
Кол-во ↓
Имя A→Я
Имя Я→A
Серийник ↑
Серийник ↓
AGCO3311549B2
3 815 ₽
278563 - подшипник
2 573 ₽
810686440 Пластина
29 138 ₽
COVER
3 814 ₽
811623330 -
3 125 ₽
84449919 - жгут проводов
3 125 ₽
84800563 - палец
1 889 ₽
84817381 - Втулка
2 947 ₽
87021857 - Подшипник
2 626 ₽
87374158 - Кронштейн
3 600 ₽
87455675 - Фара головная правая Mg. 06г.в.
11 318 ₽
87455676 - Фара головная центральная Mg. с 06г.в., Steiger после 10г.в.
37 882 ₽
87455682 - фонарь
52 139 ₽
87455686 - лампа
37 817 ₽
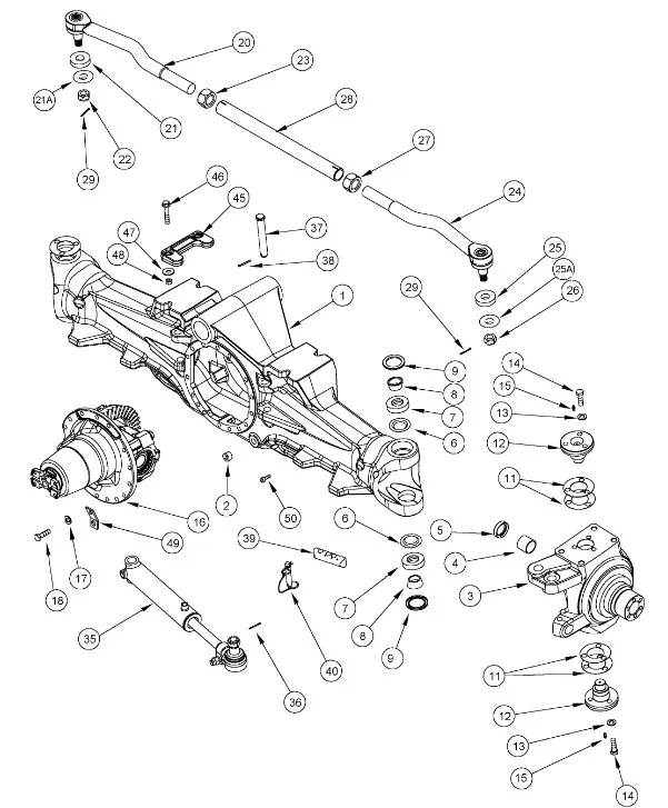
87455736 - Тяга рул. в сб. моста пер. DS 4кл. TGT8./Mg.
276 407 ₽
87455737 - Трубка
16 397 ₽
87455739 - Гайка
37 737 ₽
87455741 - Гайка
12 299 ₽
87455742 - Тяга рул. лев. моста пер. DS 4кл. TGT8./Mg.
204 365 ₽
87455743 - Тяга рул. прав. моста пер. DS 4кл. TGT8./Mg.
183 501 ₽
87455748 - Набор шайб тяги рул. моста пер. DS 4/5кл. TGT8./Mg.
15 757 ₽
87455773 - хомут
22 827 ₽
87455774 - рулевая тяга
305 399 ₽
AGCO3311567M2
3 815 ₽
«
<
1
...
34039
34040
34041
34042
34043
...
34117
>
»
Страница:
Перейти